NMS-CS-IMX8MINI
Применение Модуль NMS-CS-IMX8MINI обладает достаточно мощным процессором, GPU и видеодекодерами, с другой стороны имеет умеренное...
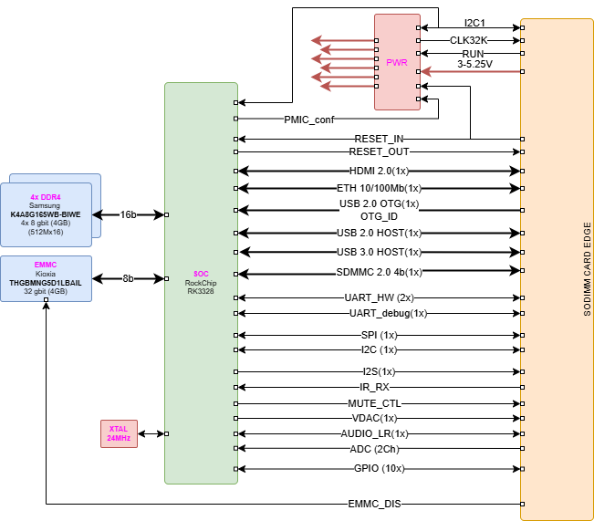
SOM-модуль NMS-CM3-RK3328 выполнен на базе процессора Rockchip RK3328 в форм-факторе Raspberry Compute Module 3.
Модуль оснащен маломощным, но высокопроизводительным 4-ядерным процессором с частотой до 1,5 ГГц, архитектурой 4x ARM Cortex-A53 GPU Mali 450MP и оперативной памяти до 8 ГБ.
Модуль можно использовать в цифровых мультимедийных устройствах OTTBOX и IPTV.
|
Механика |
Форм-фактор |
Compute Module 3 (CM3) с краевым разъёмом SO-DIMM |
|
Размеры (ДхВ) |
67.5×31 мм |
|
|
Платформа |
Процессор |
RockChip RK3328 |
|
Графический процессор |
Mali-450 MP2 @ 500 МГц |
|
|
Ядро |
4 ядра ARM Cortex-A53 с частотой до 1.5 ГГц |
|
|
VPU |
Поддержка 4K VP9, 4K 10-бит H265/H264 видео декодирование до 60к/с 1080P мульти-формат видео декодирование (WMV, MPEG-1/2/4, VP9, H.264, H.265) 1080P видео кодирование, поддержка H.264/H.265 |
|
|
ОЗУ |
Тип |
DDR4 |
|
Объем |
2/4/8 ГБ |
|
|
Разрядность |
16 бит |
|
|
Поддержка ECC |
Нет |
|
|
MMC |
Объем |
4 ГБ |
|
Интерфейсы |
Ethernet 100M |
1 |
|
I2S |
1 |
|
|
UART |
2 + DEBUG |
|
|
HDMI 2.0 |
1 |
|
|
SDMMC 2.0 |
2 | |
|
I2C |
2 |
|
|
SPI |
1 |
|
|
Audio codec |
1 | |
|
GPIO |
10 |
|
|
I/O интерфейсы |
USB 2.0 HOST |
1 |
|
USB 2.0 OTG |
1 | |
|
USB 3.0 |
1 |
|
|
Питание |
Напряжение |
5 В |
|
Потребляемая мощность, максимальная |
5 Вт |
|
|
Потребляемая мощность, типичная |
Зависит от использования |
|
|
Эксплуатация |
Температура эксплуатации |
0º – 70ºC |
|
Температура хранения |
-40º – +85ºC |
|
|
Влажность эксплуатации |
Не более 95% при 40°C |
|
|
Влажность хранения |
Не более 95% при 40º C |
|
|
INMYS WIKI |


| NMS-CM3-RK3328-4-4I1 | 4 GBytes DDR4 RAM, 4 GBytes eMMC ROM, Industrial |
| NMS-CM3-RK3328-4-4C1 | 4 GBytes DDR4 RAM, 4 GBytes eMMC ROM, Commercial |
Техническая спецификация
12 другие продукты в той же категории:
Применение Модуль NMS-CS-IMX8MINI обладает достаточно мощным процессором, GPU и видеодекодерами, с другой стороны имеет умеренное...
Применение Модуль NMS-SDM-IMX6ULL подходит для использования в системах сбора информации по различным периферийным интерфейсам с дальнейшей...
Применение SOM-модуль NMS-uQ7-IMX8M в форм-факторе µQ7 на базе i.MX 8M, благодаря мощному процессору, широкому набору коммуникационных...
Применение Благодаря большому числу логических элементов, модуль будет полезен в системах обработки сигналов и автоматизации, а широкий набор...
Применение Процессорный модуль NMS-SM-RK3588 представляет собой комплексный модуль на основе системы-на-чипе (SoC) Rockchip RK3588, предназначенный...
Назначение SoM NMS-SDM-AM335x построен на основе микропроцессора с богатой 2D/3D графикой Sitara AM335x ARM Cortex-A8 1 GHz производства Texas...
Назначение SOM-модуль NMS-uQ7-BKLT на базе процессора Baikal T1000 пригодится в системах, где требуется широкий набор коммуникационных интерфейсов,...
Применение Процессорный модуль NMS-NV-RK3568 выполнен на основе процессора производства Rockchip RK3568 в форм-факторе Nvidia Jetson Nano, что...
Применение Процессорный модуль NMS-SM-RK3568 представляет собой комплексный модуль на основе системы-на-чипе (SoC) Rockchip RK3568, предназначенный...
Назначение SOM-модуль NMS-UQ7-IMX8MM в форм-факторе µQ7 на базе i.MX 8M Mini, благодаря мощному процессору, широкому набору коммуникационных...
Применение SOM-модуль NMS-SDM-IMX8MINI в форм-факторе SODIMM DDR2 на базе i.MX 8M Mini, благодаря мощному процессору, широкому набору...
Применение SOM-модуль NMS-SDM-AM180X в форм-факторе SODIMM на базе процессоров Texas Instruments, благодаря небольшому размеру, широкому набору...
error Ваш отзыв не может быть отправлен